RCJ15 Unterputz-Empfänger Heizungssteuerung
Der Unterputz-Empfänger RCJ15 für Heizungssteuerung regelt,
auf Grundlage der von einem Easywave-Temperatursensor ST01 empfangenen Schaltsignale, eine angeschlossene Heizung.
Der RCJ15 erkennt dabei selbstständig, ob die Regelung über EIN/AUS oder über Pulsweitenmodulation (PWM) erfolgen soll.
Zusätzlich können bis zu 16 Fensterkontakte *) eingelernt werden, um das Heizen bei geöffnetem Fenster automatisch zu unterbrechen.
Sollte die Funkverbindung zum Temperatursensor unterbrochen werden, geht der RCJ15 nach ca. 10 Stunden in den Notbetrieb und verhindert so das Auskühlen des Raumes.
Der RCJ15 erkennt dabei selbstständig, ob die Regelung über EIN/AUS oder über Pulsweitenmodulation (PWM) erfolgen soll.
Zusätzlich können bis zu 16 Fensterkontakte *) eingelernt werden, um das Heizen bei geöffnetem Fenster automatisch zu unterbrechen.
Sollte die Funkverbindung zum Temperatursensor unterbrochen werden, geht der RCJ15 nach ca. 10 Stunden in den Notbetrieb und verhindert so das Auskühlen des Raumes.
Technische Daten
| Codierung | Easywave 1x ST01 und max. 16x RTS16 oder RTS26 *) können eingelernt werden. |
| Frequenz | 868,30 MHz |
| Kanäle | 1 |
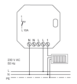
| Spannungsversorgung | 230 V AC, 50 Hz |
| Leistungsaufnahme | 0,2 W Stand by 0,7 W Relais geschaltet (ohne Last) |
| Betriebsarten | Temperatur-Regelung PWM EIN/AUS |
| Ausgang | 1 potenzialbehafteter Relaiskontakt (Schließer) |
| Max. Kontaktbelastung | 10,0 A / 2300 VA ohmsche Last |
| Betriebstemperatur | -20 °C bis +60 °C |
| Abmessungen (B/L/H) | 48/48/25 mm |
| *) Folgende Fensterkontakte sind kompatibel: | |
| RTS16E5001B02 | AUS/EIN |
| RTS16E5001-02 | STATUS, AUS/EIN |
| RTS16E5001A02 | STATUS, AUS/EIN |
| RTS26E5001B03 | AUS/EIN |
| RTS26E5001A03 | STATUS, AUS/EIN |
Lieferumfang
- Unterputz-Empfänger
- Bedienungsanleitung
Ausführungen
| Produktnummer | Beschreibung |
|---|---|
| RCJ15E5001-01-23K | Unterputz-Empfänger, Easywave, 230V, 1x Schließer, potenzialbehaftet, Heizungssteuerung PWM/EIN/AUS |
Anschlussplan


Instagram
LinkedIn